Project Overview
The San Rafael Airport “Sports Complex” is a publicly accessible, privately funded multi-sport recreational facility that will allow families in Marin County the opportunity to recreate year round on safe, all-weather fields and courts- all built without a dime of taxpayer funds. This family facility will be open to the general public for training, leagues, and field/court rentals. The Sports Complex is proposed for 9.1 acres on the San Rafael Airport property and includes indoor sports fields and recreation as well as outdoor soccer fields and practice areas.
Airport Sports Complex Site Plan
The site plan below provides a bird’s eye view of the proposed project layout and the adjacent land uses.
Indoor Facilities
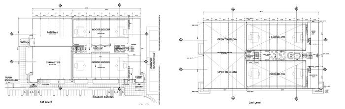
The facility includes a 71,300 square-foot recreational building with fields and courts on the ground floor and a 14,400 square foot 2nd floor viewing deck. The ceiling height and field sizes meet the national recreational standards for soccer and other field/court sports. Indoor facilities include:
- 2 Soccer Fields (Field Turf, a state-of-the-art playing surface)
- Gymnastics and dance training court areas
- Air conditioned mezzanine (14,400 square feet)
- Spectator Viewing Deck
- Food and Beverage Service
- Meeting Rooms
- Family Game Arena
- Kid Zone Inflatable Playground
- Offices
- Team Rooms
- Restrooms
Outdoor Fields
The project includes a full size lighted outdoor soccer field, along with an unlighted soccer warm-up area. The outdoor field is proposed to be Field Turf to allow for year round use.
Adjacent Land Uses
The site plan shows the proposed Sports Complex is adjacent to the existing San Rafael Airport to the south and the existing 450 acre Marin County McInnis Park and the McInnis Park Golf Center, a private recreation facility to the north. McInnis Park is a multi-use sports / outdoor activity facility and includes a skate park, two softball fields, two soccer fields, canoe launch, four tennis courts, a group picnic area and nature trails. McInnis Park Golf Center is a private recreation facility open to the public for a fee and includes a nine-hole executive golf course, driving range, miniature golf, batting cages, pro shop and clubhouse with a bar and restaurant.
Site Improvements
This project is designed in an environmentally sensitive manner to complement the surrounding land uses, including the existing airport and industrial park, McInnis Park, McInnis Park Golf Center, surrounding residences, and wildlife habitat within Gallinas Creek. Site work includes extension of an existing paved access driveway off Smith Ranch Road to a new 184 space paved parking lot, replacement of an existing bridge deck, and grading to raise site elevations two-feet achieving 1.0- and 2.0-foot grade elevations for the building and fields.
The site design includes elements to ensure minimal impact on surrounding airport and residential uses including landscaped fencing along the parking lot and entrance roadway to block car lights from impacting neighbors.



